
高精度交直流電流傳感器(又稱磁通門電流傳感器)
基于零磁通技術,采用精密的電子線路和嚴謹的屏蔽結構制作而成,從而使傳感器在全帶寬范圍內擁有比較高的增益和測量精度。
精度:DC0.01級,AC0.02級
性能特點:
1、原、副邊隔離測量
2、出色的線性度和準確
3、強抗電磁干擾能力
4、寬頻帶和低響應時間
5、體積小,重量輕,測量電流范圍寬,工作在寬溫范圍時準確度高
應用領域:
1、計量檢測
2、電流測量
3、儀器儀表
4、電力控制
5、新能源




以上為600A尺寸圖

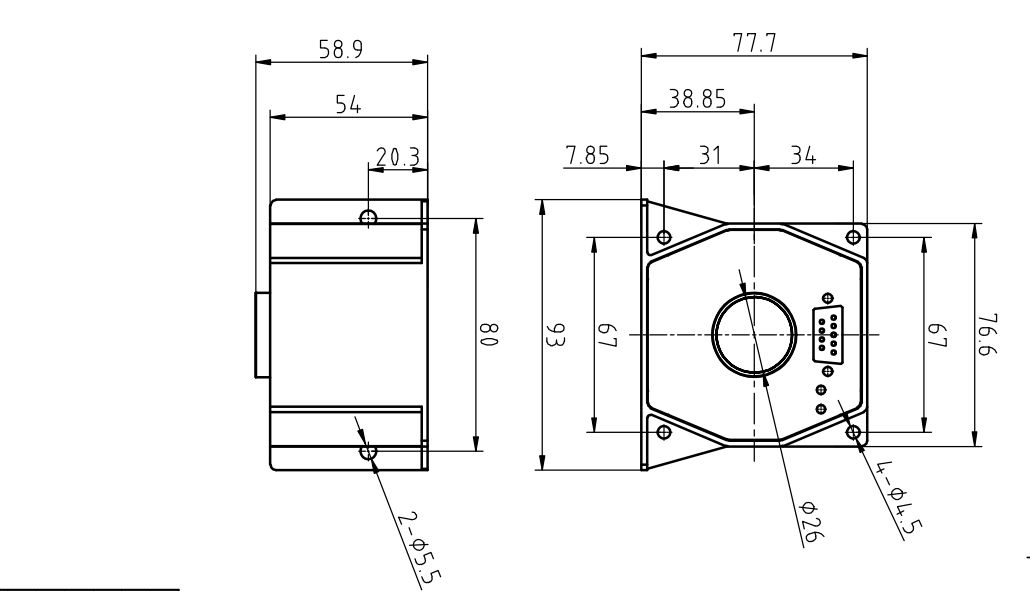
以上為200A尺寸圖

高精度交直流電流傳感器(又稱磁通門電流傳感器)
基于零磁通技術,采用精密的電子線路和嚴謹的屏蔽結構制作而成,從而使傳感器在全帶寬范圍內擁有比較高的增益和測量精度。
精度:DC0.01級,AC0.02級
性能特點:
1、原、副邊隔離測量
2、出色的線性度和準確
3、強抗電磁干擾能力
4、寬頻帶和低響應時間
5、體積小,重量輕,測量電流范圍寬,工作在寬溫范圍時準確度高
應用領域:
1、計量檢測
2、電流測量
3、儀器儀表
4、電力控制
5、新能源




以上為600A尺寸圖

以上為200A尺寸圖